側板振動電機因其在振動設備兩側板面上安裝固定又稱側板式振動電機,不同之處主要在于安裝方式,臥式振動電機的激振源傳遞是通過電機機殼下面的地腳安裝孔利用螺栓與振動設備的聯結緊固來完成,而側板振動電機的激振源傳遞是通過電機機亮中部的法蘭盤上的安孔與振動設備兩邊側板直撞螺栓緊固聯結來實現的。
在線咨詢 18923423523成功研發出針對不同要求的200多種設備行業專用電機


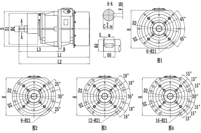
產品參數表 PT-VBCB 4P 三相 PT-VBCB 4 Pole Three Phase | |||||||||||||||||||||
| 序號 No. | 型號 Type | 激振力 Vibration force kN | 功率 Power kW | 電流 Current A | 轉速 Speed RPM | 安裝外形尺寸(毫米) Installation dimensions | 安裝 螺栓 尺寸 Bolt | 重量 Weight Kg | 外形圖 External look | ||||||||||||
| D | D1 | D2 | D3 | L1 | L2 | L3 | B | d | C | F | m | H | |||||||||
| 1 | PT-VBCB-25134-W | 25 | 1.25 | 1450 | 280 | 270 | 370 | 330 | 488 | 561 | 329 | 20 | 45 | 41 | 8 | 40 | 310 | M20 | 94 | 圖1 | |
| 2 | PT-VBCB-35184-W | 35 | 1.8 | 4.12 | 1460 | 315 | 304 | 405 | 365 | 502 | 575 | 336 | 20 | 45 | 41 | 8 | 40 | 335 | M20 | 113 | 圖1 |
| 3 | PT-VBCB-50234-W | 50 | 2.25 | 5.12 | 1470 | 365 | 354 | 455 | 415 | 498 | 573 | 336 | 25 | 60 | 55 | 12 | 50 | 385 | M20 | 177 | 圖1 |
| 4 | PT-VBCB-60304-W | 60 | 3 | 7.11 | 1475 | 400 | 374 | 500 | 450 | 578 | 645 | 368 | 25 | 60 | 55 | 12 | 50 | 420 | M20 | 215 | 圖2 |
| 5 | PT-VBCB-75374-W | 75 | 3.7 | 8.26 | 1480 | 400 | 374 | 500 | 450 | 596 | 674 | 388 | 25 | 60 | 55 | 12 | 50 | 420 | M20 | 246 | 圖2 |
| 6 | PT-VBCB-100634-W | 100 | 6.3 | 16.57 | 1460 | 430 | 428 | 530 | 480 | 639 | 706 | 401.5 | 25 | 60 | 55 | 12 | 50 | 420 | M20 | 367 | 圖2 |
| PT-VBCB 6P 三相 PT-VBCB 6 Pole Three Phase | |||||||||||||||||||||
| 序號 No. | 型號 Type | 激振力 Vibration force kN | 功率 Power kW | 電流 Current A | 轉速 Speed RPM | 安裝外形尺寸(毫米) Installation dimensions | 安裝 螺栓 尺寸 Bolt | 重量 Weight Kg | 外形圖 External look | ||||||||||||
| D | D1 | D2 | D3 | L1 | L2 | L3 | B | d | C | F | m | H | |||||||||
| 1 | PT-VBCB-15116-W | 15 | 1.1 | 3.01 | 970 | 280 | 274 | 370 | 330 | 488 | 566 | 334 | 20 | 36 | 32 | 8 | 40 | 310 | M20 | 100 | 圖1 |
| 2 | PT-VBCB-25186-W | 25 | 1.8 | 4.47 | 975 | 316 | 309 | 405 | 365 | 534 | 608 | 353 | 20 | 45 | 41 | 8 | 40 | 335 | M20 | 130 | 圖1 |
| 3 | PT-VBCB-35246-W | 35 | 2.4 | 5.68 | 980 | 365 | 357 | 455 | 415 | 520 | 592 | 345 | 25 | 50 | 45 | 12 | 50 | 385 | M20 | 184 | 圖1 |
| 4 | PT-VBCB-50376-W | 50 | 3.7 | 8.49 | 985 | 400 | 374 | 500 | 450 | 574 | 650 | 372 | 25 | 60 | 53 | 18 | 50 | 420 | M20 | 265 | 圖2 |
| 5 | PT-VBCB-75606-W | 75 | 6 | 12.54 | 985 | 430 | 428 | 530 | 480 | 639 | 706 | 401.5 | 25 | 60 | 53 | 18 | 50 | 450 | M20 | 331 | 圖2 |
| 6 | PT-VBCB-100756-W | 100 | 7.5 | 16 | 990 | 480 | 464 | 590 | 540 | 736 | 805.5 | 455.5 | 25 | 60 | 53 | 18 | 50 | 500 | M20 | 454 | 圖3 |
| 7 | PT-VBCB-135906-W | 135 | 9 | 19.31 | 990 | 580 | 576 | 700 | 650 | 701 | 771 | 438.5 | 25 | 60 | 53 | 18 | 50 | 610 | M20 | 610 | 圖4 |
| 8 | PT-VBCB-1601106-W | 160 | 11 | 22.68 | 990 | 580 | 576 | 700 | 650 | 721 | 792 | 449.5 | 25 | 60 | 53 | 18 | 50 | 610 | M20 | 670 | 圖4 |
| 9 | PT-VBCB-1801306-W | 180 | 13 | 26.35 | 990 | 580 | 576 | 700 | 650 | 745 | 814 | 459.5 | 25 | 60 | 53 | 18 | 50 | 610 | M20 | 740 | 圖4 |
| PT-VBCB 8P 三相 PT-VBCB 8 Pole Three Phase | |||||||||||||||||||||
| 序號 No. | 型號 Type | 激振力 Vibration force kN | 功率 Power kW | 電流 Current A | 轉速 Speed RPM | 安裝外形尺寸(毫米) Installation dimensions | 安裝 螺栓 尺寸 Bolt | 重量 Weight Kg | 外形圖 External look | ||||||||||||
| D | D1 | D2 | D3 | L1 | L2 | L3 | B | d | C | F | m | H | |||||||||
| 1 | PT-VBCB-50378-W | 50 | 3.7 | 10.04 | 735 | 400 | 374 | 500 | 450 | 737 | 806 | 449.5 | 25 | 60 | 53 | 18 | 50 | 440 | M20 | 圖2 | |
| 2 | PT-VBCB-75608-W | 75 | 6 | 14.91 | 740 | 430 | 428 | 530 | 480 | 789 | 858 | 475.5 | 25 | 60 | 53 | 18 | 50 | 480 | M20 | 427 | 圖2 |
| 3 | PT-VBCB-100758-W | 100 | 7.5 | 19.41 | 745 | 480 | 464 | 590 | 540 | 853 | 925 | 516.5 | 25 | 60 | 53 | 18 | 50 | 500 | M20 | 583 | 圖3 |
| 4 | PT-VBCB-135908-W | 135 | 9 | 21.74 | 745 | 580 | 576 | 700 | 650 | 796 | 864.5 | 484.5 | 25 | 60 | 53 | 18 | 50 | 610 | M20 | 750 | 圖4 |
| 5 | PT-VBCB-1601108-W | 160 | 11 | 25.94 | 745 | 580 | 576 | 700 | 650 | 835 | 904 | 504.5 | 25 | 60 | 53 | 18 | 50 | 610 | M20 | 810 | 圖4 |
| 6 | PT-VBCB-1801308-W | 180 | 13 | 30.22 | 745 | 580 | 576 | 700 | 650 | 854 | 922.5 | 513.5 | 25 | 60 | 53 | 18 | 50 | 610 | M20 | 850 | 圖4 |
全球3000多家知名振動機械設備企業專用電機品牌
欣佳宏是國內知名電鍍設備,振動篩專用振動電機生產廠家。
欣佳宏切實履行金牌服務承諾:從售前到售后,我們將不遺余力為您提供整體解決方案和一站式服務
如果您想了解更多振動電機問題及設備型號資料,歡迎在下方留言咨詢。技術經理將在24小時內
回電答疑及報價,欣佳宏全天恭候您的垂詢。
免費提供設備報價、設備型號資料等服務,歡迎您隨時咨詢
我們將隨時給予回復!
專車接送提前預約,專車免費接送您到廠或實地考察
完備售后承諾合同日期發貨,專業指導安裝與培訓