特點及應用:
1高效率、低溫升,超長使用壽命
2.激振力與出力配合適當,機體質量輕,啟動力矩大,體積小
3.利用平穩的回轉產生振動,噪聲低
4.可無級調節激振力
5.通過調節上下端偏心塊的相位角,可有效的改變物料的運動軌跡,延長或縮短物料的停留時間來產生圓形或橢圓形復合振動,滿足旋振篩、旋轉清理機、振動光飾機、振動破碎機、振動混料機等多種設備的要求。
成功研發出針對不同要求的200多種設備行業專用電機

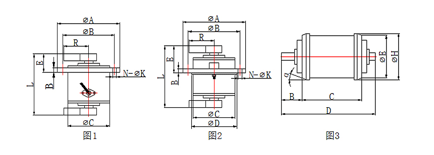
| 三相兩級參數 | ||||||||||||||||
| 序號 | 型號 | 額定激振力 | 額定轉速 | 額定功率 | 額定電流 | 安裝尺寸 | 質量 | 備注 | ||||||||
| NO | Type | KN | r/min | KW | A | ?A | ?B | ?C | L | E | B | R | N-?K | KG | 圖號 | 止口?C |
| 1 | YZUL-5-2 | 5 | 2800 | 0.4 | 0.9 | 245 | 210 | 150 | 278 | 67 | 18 | 72 | 6-12 | 24 | 圖1 | |
| 2 | YZUL-8-2 | 8 | 2800 | 0.55 | 1.2 | 270 | 240 | 164 | 273 | 67 | 20 | 82 | 6-14 | 32 | 圖1 | |
| 3 | YZUL1-20-2 | 20 | 2800 | 1.5 | 3 | 370 | 320 | 210 | 425 | 203 | 25 | 94 | 6-22 | 80 | 圖2 | |
| 三相四級參數 | ||||||||||||||||
| 序號 | 型號 | 額定激振力 | 額定轉速 | 額定功率 | 額定電流 | 安裝尺寸 | 質量 | 備注 | ||||||||
| NO | Type | KN | r/min | KW | A | ?A | ?B | ?C | L | E | B | R | N-?K | KG | 圖號 | 止口?C |
| 1 | YZUL-1-4 | 1 | 1440 | 0.12 | 0.4 | 190 | 165 | 126 | 220 | 54 | 16 | 68 | 4-12 | 15 | 圖1 | |
| 2 | YZUL-3-4 | 3 | 1440 | 0.12 | 0.4 | 230 | 200 | 126 | 268 | 78 | 16 | 78 | 4-12 | 15 | 圖1 | |
| 3 | YZUL-5-4 | 5 | 1440 | 0.25 | 0.7 | 245 | 210 | 150 | 270 | 76 | 18 | 90 | 6-12 | 25 | 圖1 | |
| 4 | YZUL-8-4 | 8 | 1440 | 0.37 | 0.86 | 270 | 240 | 164 | 302 | 81 | 20 | 103 | 6-14 | 36 | 圖1 | |
| 5 | YZUL1-8-4 | 8 | 1440 | 0.37 | 0.86 | 268 | 230 | 160 | 326 | 145 | 24 | 105 | 4-18 | 35 | 圖2 | 160 |
| 6 | YZUL-10-4 | 10 | 1440 | 0.55 | 1.25 | 310 | 265 | 190 | 343 | 104 | 22 | 130 | 8-18 | 44 | 圖1 | |
| 7 | YZUL-16-4 | 16 | 1440 | 0.75 | 1.68 | 310 | 265 | 190 | 365 | 112 | 24 | 135 | 8-18 | 51 | 圖1 | |
| 8 | YZUL1-16-4 | 16 | 1440 | 0.75 | 1.68 | 268 | 230 | 180 | 350 | 134 | 24 | 115 | 4-18 | 40 | 圖2 | 180 |
| 9 | YZUL1-20-4 | 20 | 1440 | 1.1 | 2.38 | 370 | 320 | 210 | 456 | 218 | 25 | 141 | 6-22 | 80 | 圖2 | 285.5 |
| 10 | YZUL1-25-4 | 25 | 1440 | 1.5 | 3.2 | 370 | 320 | 210 | 470 | 225 | 25 | 141 | 6-22 | 88 | 圖2 | 285.5 |
| 11 | YZUL1-32-4 | 32 | 1440 | 1.5 | 3.2 | 370 | 320 | 210 | 495 | 238 | 25 | 151 | 6-22 | 87 | 圖2 | 285.5 |
| 12 | YZUL1-35-4 | 35 | 1440 | 1.8 | 3.78 | 370 | 320 | 210 | 556 | 258 | 25 | 141 | 6-22 | 96 | 圖2 | 285.5 |
| 13 | YZUL1-50-4 | 50 | 1440 | 2.2 | 4.7 | 500 | 440 | 330 | 533 | 262 | 30 | 175 | 8-26 | 170 | 圖2 | 368 |
| 14 | YZUL1-50-4A | 50 | 1440 | 2.5 | 5.4 | 500 | 440 | 330 | 504 | 233 | 30 | 200 | 8-26 | 158 | 圖2 | 368 |
| 15 | YZUL1-65-4 | 65 | 1440 | 5 | 10.4 | 500 | 400 | 330 | 659 | 356 | 32 | 175 | 8-26 | 225 | 圖2 | 368 |
| 16 | YZUL1-75-4 | 75 | 1440 | 3.7 | 7.64 | 610 | 525 | 380 | 663 | 320 | 40 | 17 | 6-38 | 278 | 圖2 | 420 |
| 17 | YZUL1-75-4A | 75 | 1440 | 5.5 | 11 | 610 | 525 | 380 | 631 | 322 | 40 | 215 | 6-38 | 362 | 圖2 | 420 |
| 18 | YZUL1-100-4 | 100 | 1440 | 7.5 | 16.3 | 610 | 525 | 380 | 711 | 347 | 40 | 180 | 6-38 | 366 | 圖2 | 420 |
| 19 | YZUL1-125-4 | 125 | 1440 | 10 | 19.6 | 610 | 495 | 420 | 737 | 390 | 50 | 245 | 6-38 | 420 | 圖2 | 420 |
| 雙法蘭三相四級參數 | |||||||||||||
| 序號 | 型號 | 額定激振力 | 額定轉速 | 額定功率 | 額定電流 | 安裝尺寸 | 質量 | 圖號 | |||||
| NO | Type | KN | r/min | KW | A | ?E | ?H | B | C | D | α | KG | |
| 1 | YZUL2-50-4 | 50 | 1440 | 2.2 | 3.2 | 215 | 230 | 80 | 330 | 490 | 20° | 73 | 圖3 |
| 2 | YZUL2-65-4 | 65 | 1440 | 4 | 8.4 | 298 | 318 | 115 | 345 | 547 | 25° | 131 | 圖3 |
| 3 | YZUL2-75-4 | 75 | 1440 | 5.5 | 11.2 | 298 | 318 | 119.5 | 420 | 631 | 25° | 160 | 圖3 |
| 4 | YZUL2-100-4 | 100 | 1440 | 7.5 | 16.3 | 351 | 372 | 144 | 442 | 710 | 25° | 222 | 圖3 |
| 5 | YZUL2-125-4 | 125 | 1440 | 11 | 21.3 | 351 | 372 | 138 | 525 | 801 | 25° | 360 | 圖3 |
| 使用條件 | |||||||||||||
| 環境溫度:-20C°-- 40C° | |||||||||||||
| 海拔高度:不超過1000M | |||||||||||||
| 電壓:380V | |||||||||||||
| 頻率:50HZ | |||||||||||||
| 絕緣等級:F | |||||||||||||
| 防護等級:IP54 | |||||||||||||
| 工作方式S1 | |||||||||||||
| 冷卻方式:IC410 | |||||||||||||
| 安裝方向:立式安裝 |
全球3000多家知名振動機械設備企業專用電機品牌
欣佳宏是國內知名電鍍設備,振動篩專用振動電機生產廠家。
欣佳宏切實履行金牌服務承諾:從售前到售后,我們將不遺余力為您提供整體解決方案和一站式服務
如果您想了解更多振動電機問題及設備型號資料,歡迎在下方留言咨詢。技術經理將在24小時內
回電答疑及報價,欣佳宏全天恭候您的垂詢。
免費提供設備報價、設備型號資料等服務,歡迎您隨時咨詢
我們將隨時給予回復!
專車接送提前預約,專車免費接送您到廠或實地考察
完備售后承諾合同日期發貨,專業指導安裝與培訓