成功研發出針對不同要求的200多種設備行業專用電機
![]()
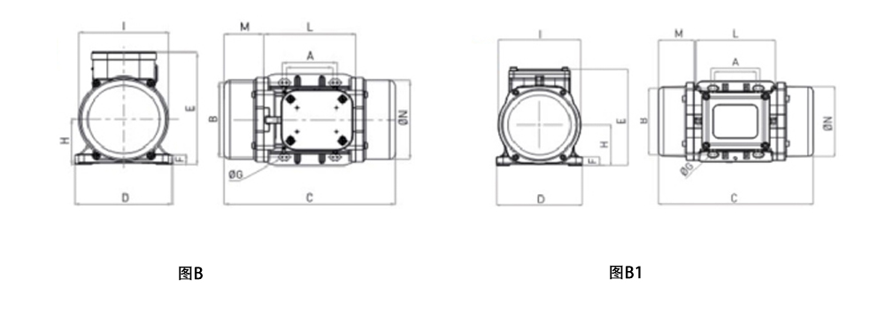
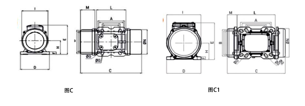
粉塵防爆振動電機產品概述: 欣佳宏粉塵防爆振動電機采用先進技術設計,使用高質材料制造, 具有外形美觀、性能先進、維護方便,運行可靠等優點。粉塵防 爆振動電機機品種豐富,規格齊全,能滿足各類振動機械的工作 需要。 普田粉塵防爆振動電機技術特點: 品質:世界級的材料/F級絕緣/耐久的密封/優質的軸承/堅固的機 座設計-FEM設計 /真空浸漆/有限元分析/3D 質量檢測。PTC熱敏 電阻130℃/特殊的油脂儲存裝置耐熱/防護等級IP66/絕綠等級F級。 | ![]() |
![]()
欣佳粉塵防爆振動電機作為各類振動機械的激振源,能滿足各類振動機械的工作需要,振動給料機、振動放礦機、振動輸送機、振動篩、振動落砂機、振動光飾處理機、振動干燥機和料倉振動防塞裝置等,粉塵防爆振動電機廣泛應用于電力、建材、煤炭、礦山、冶金、化工、輕工、鑄造等行業等;
![]()








全球3000多家知名振動機械設備企業專用電機品牌
欣佳宏是國內知名電鍍設備,振動篩專用振動電機生產廠家。
欣佳宏切實履行金牌服務承諾:從售前到售后,我們將不遺余力為您提供整體解決方案和一站式服務
如果您想了解更多振動電機問題及設備型號資料,歡迎在下方留言咨詢。技術經理將在24小時內
回電答疑及報價,欣佳宏全天恭候您的垂詢。
免費提供設備報價、設備型號資料等服務,歡迎您隨時咨詢
我們將隨時給予回復!
專車接送提前預約,專車免費接送您到廠或實地考察
完備售后承諾合同日期發貨,專業指導安裝與培訓